2.4L LE5 Performance Tech 16 valve 171 hp EcoTec with 163 lb-ft of torque

Cobalt Ss 06 2.4L Overheating (Radiator)

Thread Tools
 
Search this Thread
 
Old Jun 23, 2012 | 05:37 PM
  #1  
jo993's Avatar
Thread Starter
New Member
 
Joined: 06-23-12
Posts: 4
Likes: 0
From: Montreal
Cobalt Ss 06 2.4L Overheating (Radiator)

hey guys
Can anyone help me with a problem?Yesterday I was driving for a short periode of time and at a normal speed(not on the highway neither) I saw my Temp Light go on ... i was at 130C , i parked my car and i could see that my radiator fan was not spinning ... Today, I wanted to try and see if the problem was still occurring ... it went from 60c to 90c in no time , It went stable until I actually Got a red light ( a long one ) It went up to 100c and over ...


so you guys think it's the radiator ?! Thanks

Jonathan Vicic
Reply
Old Jun 23, 2012 | 05:49 PM
  #2  
TommyP's Avatar
AWD > FWD
iTrader: (2)
 
Joined: 04-18-09
Posts: 11,087
Likes: 3
From: Youngstown, Ohio
not the radiator. Radiator would be fine unless it had a hole in it, at which point you wouldn't have any coolant. I would guess a stuck thermostat.
Reply
Old Jun 23, 2012 | 06:02 PM
  #3  
Sunburst_SS's Avatar
Senior Member
 
Joined: 04-08-06
Posts: 2,395
Likes: 3
From: Charlotte, NC
well if your cooling fans aren't coming on.....that would most certainly cause it to overheat while sitting at idle. They should kick on at low speed at about 106* celsius........do the fans come on if you turn the a/c on?
Reply
Old Jun 23, 2012 | 07:04 PM
  #4  
jo993's Avatar
Thread Starter
New Member
 
Joined: 06-23-12
Posts: 4
Likes: 0
From: Montreal
Radiator fan is not working at all , even if i hit 110 c even with a/c on ...
Reply
Old Jun 23, 2012 | 10:38 PM
  #5  
Sunburst_SS's Avatar
Senior Member
 
Joined: 04-08-06
Posts: 2,395
Likes: 3
From: Charlotte, NC
well that is your problem.....chances are the fan is shot......you can check with a test light and see if you have power and ground at the fan connector just to make sure. You can also swap the fan relays with another working relay to eliminate that.
Reply
Old Jun 24, 2012 | 12:26 PM
  #6  
nhanson's Avatar
Senior Member
iTrader: (1)
 
Joined: 05-07-08
Posts: 6,417
Likes: 2
From: Minnesota
Sounds like the fan is bad.

Check fuse first
Reply
Old Jun 24, 2012 | 08:58 PM
  #7  
jo993's Avatar
Thread Starter
New Member
 
Joined: 06-23-12
Posts: 4
Likes: 0
From: Montreal
I just bought the car 2 months ago so i dont really know it ... The radiator Fan would be labeled as what

Cool fan 1 ? cool fan 2 ?

Thanks in advance!
Reply
Old Jun 24, 2012 | 09:14 PM
  #8  
Sunburst_SS's Avatar
Senior Member
 
Joined: 04-08-06
Posts: 2,395
Likes: 3
From: Charlotte, NC
There will be one fuse for the fans....a j-case fuse (the square fuses, I think a 30 amp which will be a purple case). The fan has two relays, one for low speed (fan 1) and one for high speed (fan 2). You can check and see if the fuse is blown......if it is, replace the fuse and see if the fans work. If so, it is possible the fans are shorting intermittently and popping the fuse........so you can replace the fan, or just replace the fuse and see how long it holds up.
Reply
Old Jun 25, 2012 | 03:14 PM
  #9  
jo993's Avatar
Thread Starter
New Member
 
Joined: 06-23-12
Posts: 4
Likes: 0
From: Montreal
I can see that i have one fuse (relays)
on the First cool fan ... but i have none on the second one ... (cool fan 2)...
Reply
Old Jun 25, 2012 | 07:46 PM
  #10  
Sunburst_SS's Avatar
Senior Member
 
Joined: 04-08-06
Posts: 2,395
Likes: 3
From: Charlotte, NC
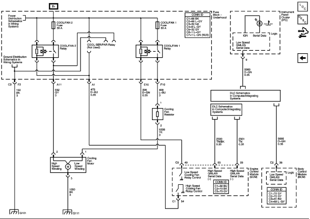
there should be a cooling fan 1 fuse and relay, and a cooling fan 2 fuse and relay.
Name:  sss.gif
Views: 238
Size:  21.5 KB
Reply
Related Topics
Thread
Thread Starter
Forum
Replies
Last Post
GaryGibblez
2.4L LE5 Performance Tech
20
Jan 14, 2020 10:35 AM
Sean Cummings
Problems/Service/Maintenance
66
Jan 8, 2020 10:17 AM
Spanky's Monkey
Parts
37
Mar 7, 2016 06:06 PM
chefhhr
Complete Cars
7
Oct 26, 2015 10:36 PM
katahdin_lubricants
General Cobalt
3
Sep 20, 2015 07:24 PM




All times are GMT -4. The time now is 04:12 AM.