Reverse lights and 3rd brake light dont work
Reverse lights and 3rd brake light dont work
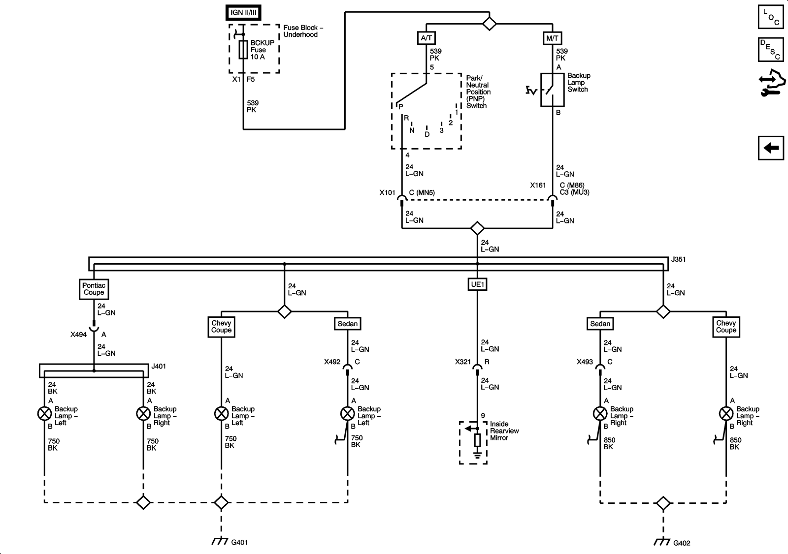
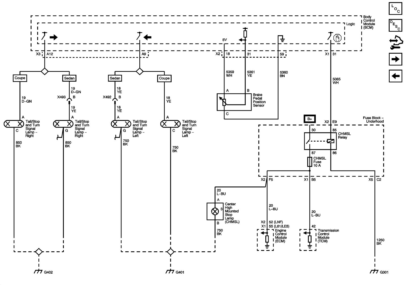
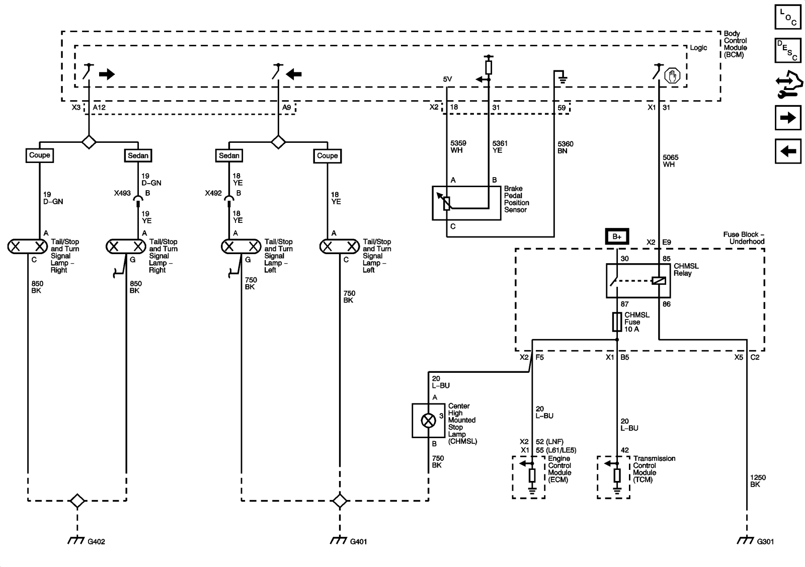
My reverse lights and 3rd brake light dont work, i even put all new lights in and they still dont work. Does anyone know why they are doing this?
Attachment 8526
Attachment 8527
Check for power and ground at connectors. Thatl tell you which circuit to trace.
what car do you have and ill get a connector end views for you too
Attachment 8527
Check for power and ground at connectors. Thatl tell you which circuit to trace.
what car do you have and ill get a connector end views for you too
Reverse lights

1 is light green and should have 12v when your in reverse with key in run position
2 is black and should be ground at all times.
3rd brake light

A is light blue and should have 12v with brake pedal depressed.
B is is black and should be ground at all times
problems are not related except for at g401 and 402. they are either spliced there or multiple ground eyelets on one bolt, could be a potential place for problems but not likely. check for power first.

1 is light green and should have 12v when your in reverse with key in run position
2 is black and should be ground at all times.
3rd brake light

A is light blue and should have 12v with brake pedal depressed.
B is is black and should be ground at all times
problems are not related except for at g401 and 402. they are either spliced there or multiple ground eyelets on one bolt, could be a potential place for problems but not likely. check for power first.
Last edited by Kolt; Nov 13, 2015 at 04:07 PM.
Thread
Thread Starter
Forum
Replies
Last Post





